RF-BM-S01A低功耗蓝牙模块,采用TI的CC2541作为核心处理器。模块运行在 2.4 GHz ISM band,GFSK 调制方式(高斯频移键控),40 频道2 MHz 的通道间隙,3 个固定的广播通道,37 个自适应自动跳频数据通道,物理层可以和经典蓝牙RF组合成双模设备,2 MHz 间隙能更好地防止相邻频道的干扰。宽输出功率调节(-23 dBm~4dBm),-93 dBm高增益接收灵敏度。配合专业的RF-4板材,高精度电容及晶体,为模块性能保驾护航。客户采用该模块能迅速桥接电子产品和智能移动设备,可广泛应用于有此需求的各种电子设备,如仪器仪表,物流跟踪,健康医疗,智能家居,运动计量,汽车电子,休闲玩具等。模块通过BQB-EPL、FCC、CE、RoSH无铅认证,极大的满足了各个行业对产品开发的需求。
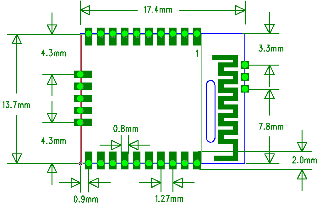
RF-BM-S01A模块尺寸(BQB认证,四层板工艺)

RF-BM-S01A工作示意图
模块的主要优势:
1、无需任何蓝牙协议栈及射频应用经验;
2、支持桥接模式(透传)和直驱模式(免MCU);
3、空旷传输距离100m;
4、高速传输塑料最高可达6Kbp/S
5、超低功耗通信TX Current≤0.5mA RX Current≤0.5mA;
6、超低待机功耗0.3-0.4uA;
7、支持与苹果4s、iPad3、iPod4以后的机型通信;
8、支持与蓝牙4.0功能的安卓android4.3以上手机通信;
9、提供IOS/ Android 模块测试APP源代码驱动例程;