产品中心

RF-WM-11AMB1 WIFI模块图

RF-WM-11AMB1模块是YTD全新推出的一款嵌入式Wi-Fi模块,该模块采用瑞昱最新的SOC Wi-Fi 方案RTL8711AM芯片设计,内置高性能ARM Cortex-M3 MCU,并包含多种外设,UART,SPI,I2C,I2S,SD,NFC,GPIO。模块支持802.11 b/g/n无线标准,支持Station,AP和Wi-Fi直连模式。RTL8711AM内置2M的SDRAM,可用资源丰富。
  • 产品描述
RF-WM-11AMB1模块具有两种操作模式:AT命令模式和串口数据透传模式;AT命令模式可以通过串口AT命令对模块进行各种参数配置(具体操作命令详见AT命令章节),通过简单的AT命令配置后,数据透传模式可以实现把串口数据透明传输到指定的网络设备。
集成了TCP/IP协议及应用的RF-WM-11AMB1模块,可用于物联网应用,如:家庭自动化,家电控制,安防系统,智能能源,互联网网关,工业控制,智能插座/仪表计量,传感网络节点,智能玩具等等。

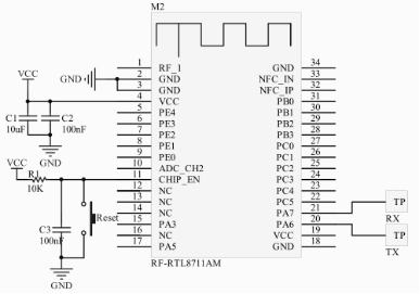
1、RF-WM-11AMB1引脚图

                                                                       

2、RF-WM-11AMB1模块接线图
                                                                                         

客服

点击这里给我发消息

点击这里给我发消息

微信

分享

TOP